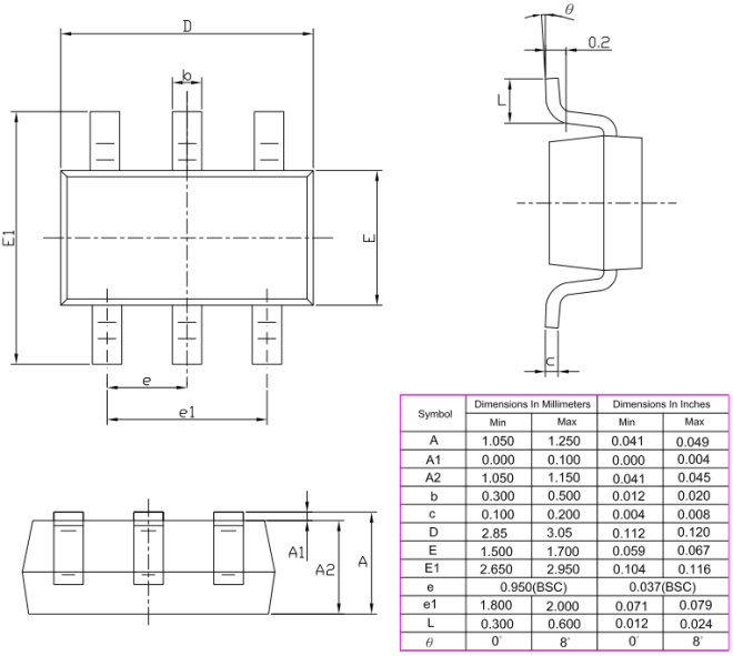
MPS003 SOT23-6 低功耗长按短按开关机芯片规格说明书V1



admin 2025年9月24日 21:13 收藏文档